http://www.8bitu.cz/clanek/stabilizator-78xx-a-79xx/
Regulátor napětí

(osobně oba ty kondenzátory zásadně vynechávám, protože nějaká ta kapacita se někde vždycky najde, ale psst
Zřejmě nejjednodušší step-up měnič z tranzistoru, cívky s feritovým jádrem a odporu. Vše lze snadno postavit ze second-hand součástek… Není příliš efektivní, ale je extrémně jednoduché ho postavit a funguje i s velmi malým napětím. Při napětí 1.5V lze na výstupu dostat i 80V… Pokud si pomůžeme třetím vinutím, tak i více. Proud je však velmi malý a zapojení se nejčastěji používá k napájení LED diod z baterií, které samy o sobě nemají dostatečné napětí.
Virtuální zem pomůže, pokud chceme napájet z asymetrického zdroje zařízení, které vyžaduje symetrické napájení. Máme například +12V a zem a zařízení vyžaduje +12V, zem a -12V.
Asi nejjednodušší z lineárních zapojení:

R1 a R2 musí být oba stejné a zvolená tak, aby skrz LM336 tekly alespon 2mA a nebylo presahnuto 10mA. (jde o stabilitu, ale zaroven minimalizaci klidovyho odberu).
1ohm odpory na výstupu by měly být dimenzovány alespoň na 1W.
NEOZKOUŠENO: Možná bych zkusil výkonovej operák http://www.ges.cz/sheets/l/l272.pdf v tomhle zapojení (ale snížit/odstranit odpor na výstupu):
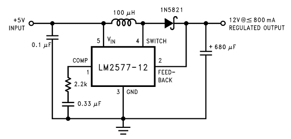
Kde jsou potřeba větší proudy, je možné použít spínaný step-up měnič (viz. výše), který udělá z např. 12V na vstupu dvojnásobek (24V) na výstupu. Tento výstup je pak možné zatížit nejen proti zemi, ale i proti těm původním 12V na vstupu, které tedy můžeme použít jako zem symetrického napětí (0V-12V-24V).
Případně se to dá řešit i měničem s invertující topologií, který udělá z +12V -12V: